021-51699285
首页
关于我们
公司简介
关于品牌
荣誉资质
产品中心
中压元器件
气体绝缘开关柜
新闻中心
公司新闻
行业动态
联系我们
产品展示
3A210-08-NO,3A210,阀-气动阀
首页
/
产品中心
/
气动阀
电磁阀
气动阀
手控阀
产品标题:3A210-08-NO,3A210,阀-气动阀
产品ID:
VIB20120522220843734
品 牌:
CKT 西克迪
所在地:中国 上海
价 格:面议 (大量采购价格面议)
库存状态:
货期待查
更新日期:2025-4-24 2:59:55
咨询电话:(+86)021-51699285
咨询Q Q:
2695337323
产品简述
3A210-08-NO,3A210,阀-气动阀
产品详情
产品类别:阀 - 气动阀
产品名称:3A210
产品简介:
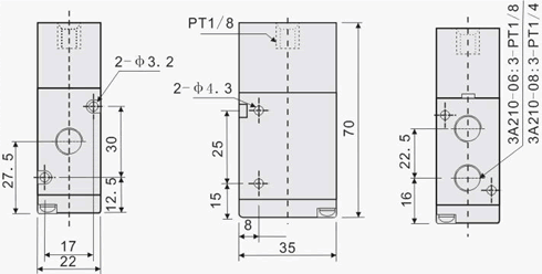
订购代码
规格
型 号
3A210-06-NC
3A210-06-NO
3A210-08-NC
3A210-08-NO
工作介质
空气(经40微米虑网过滤)
作动方式
直动式
工作温度
-5~60℃
使用压力范围
0~8.0Kgf/cm
2
外部规格
流量特性
产品型号
双作用短行程气ADVC-80-15-A-P
双作用短行程气ADVC-80-20-A-P
双作用短行程气ADVC-80-25-A-P
单作用螺纹气缸 AEVC-100-10-I-P-A
单作用螺纹气缸 AEVC-100-25-I-P-A
单作用螺纹气缸 AEVC-100-10-I-P
单作用短行程气AEVC-40-25-A-P-A
单作用短行程气AEVC-40-10-A-P
单作用短行程气AEVC-40-25-A-P
双作用短行程气ADVC-40-5-I-P-A
双作用短行程气 ADVC-40-10-I-P-A
双作用短行程气ADVC-40-15-I-P-A
双作用短行程气 ADVC-40-20-I-P-A
双作用短行程气ADVC-40-25-I-P-A
前一页
3A210-08-NC,3A210,阀-气动阀
后一页
3A210-08-NC,3A210,阀-气动阀
产品中心
更多产品
MORE+
4A330,阀-气动阀
4A410,阀-气动阀
3A320-08,3A320,阀-气动阀
4A430,阀-气动阀
4A420,阀-气动阀
3A320-10,3A320,阀-气动阀
4A320,阀-气动阀
4A120,阀-气动阀
双作用气缸 DSEU-12-200-P-A
双作用气缸 DSEU-16-10-P-A
双作用气缸 DSEU-16-25-P-A
双作用气缸 DSEU-16-40-P-A
电话:
021-51699285
传真:
021-51698592
手机:
13611905823
地址:上海市宝山区恒高路127弄6号楼2202室
首 页
关于我们
公司简介
品牌介绍
企业荣誉
产品中心
中压元器件
气体绝缘开关柜
新闻中心
公司新闻
行业动态
联系我们